Zbieraj BROpoints przy każdym zakupie!

Direkt ist günstiger für Dich!Direkt ist günstiger für Dich!

Wusstest du, dass Preisvergleich-Plattformen und Suchmaschinen bei jedem Kauf fett mitverdienen? Über 20 % vom Preis gehen nur für Werbung drauf – und das zahlen am Ende alle mit. Wir sagen: Nein danke und möchten die Werbekosten lieber als Preisreduktion an Euch weitergeben!

Aus diesem Grund übermitteln wir nicht mehr unseren gesamten Bestand, die Bestpreis-Angebote und Deals an die großen Plattformen und können Dir so - neben den Geschenken, BROpoints und anderen Vorteilen - wesentlich bessere Preise geben, die Du ausschließlich bei uns findest. Deswegen lohnt es sich, ohne Umwege, direkt zu uns zu kommen.

Initiative für bessere Preise und mehr Fairness im Online-Handel.

Finde hier ALLE ANGEBOTE, für die wir derzeit den Online-Bestpreis haben.

Szczegóły produktu i zakres dostawy

SKU: 26135
EAN: 4064677024178

Alcance de la entrega:

- 200x anclajes de tornillo HECO MULTI MONTI plus MS 7,5 x 50 mm

Descripción del Producto:

El anclaje de tornillo MULTI MONTI plus de HECO es un desarrollo mejorado del tornillo para hormigón MULTI MONTI. La particularidad del tornillo es que el tornillo se puede introducir sin tacos en un agujero pretaladrado y es inmediatamente resistente. Gracias a los dientes reforzados en la punta del tornillo se enrosca una rosca interior en el material de construcción. El resultado es un ajuste positivo a través del cual se produce el anclaje. El alto nivel de seguridad en la aplicación que proporciona este proceso protege a los usuarios y a los destornilladores. El MULTI MONTI se puede mecanizar fácilmente cerca del borde sin llave dinamométrica. Además, el tornillo se puede quitar y posiblemente incluso reutilizar. Heco es un fabricante líder de tornillos, la empresa se caracteriza por su alta calidad y una larga tradición.

Datos técnicos:

Fabricante: HECO
Número de fabricante: 49856
Nombre del fabricante: MULTI MONTI plus MS
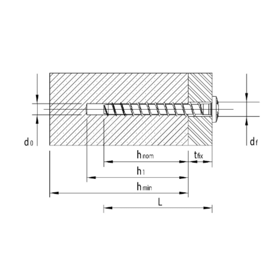
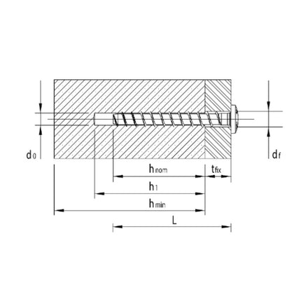
Grosor de fijación, tfix1: 1 5 mm
Tamaño de la unidad: T-30
Diámetro de broca, d0: 6,0 mm
Profundidad del taladro, h1: 4 0 mm
Orificio pasante en el accesorio, df: 9mm
Profundidad de atornillado, hnom1: 35 mm
Longitud del hilo, longitud: 4 7 mm
Diámetro de la cabeza, dk: 17,0 mm
Potencia máxima recomendada de la llave de impacto, Tmax1: 120 Nm
Espesor mínimo del componente, hmin: 100mm
Distancia mínima al borde, cmin: 30mm
Diámetro, d: 7,5 mm
Longitud, largo: 5 0 mm
Diseño de cabeza: Anclaje de carril de montaje con cabeza redonda plana
Conducir: Unidad T
Superficie: azul galvanizado, A2K
Material: Acero carbono
Evaluación técnica europea: ETA-15/0785
Clase de resistencia al fuego: F120/R120
Aprobación de rociadores:
Aprobación de la autoridad general de construcción: Z-21.1-2103


Si se utiliza con fines comerciales, ¡tenga en cuenta las normas de construcción!

Kształt produktu

HECO MULTI MONTI plus MS anclaje de tornillo 7,5 x 50 mm 200 piezas (2x 49856) tornillo para hormigón cabeza redonda plana T-Drive galvanizado azul A2K

  • Producent HECO
  • Stan  Nowe towary
  • Unzufrieden? 100 Tage kostenfreie Retoure
€69,36
z VAT, plus koszty wysyłki
    • American Express
    • Apple Pay
    • Google Pay
    • PayPal
    • Klarna
    • Mastercard
    • +12 weitere

    +780.000 BROs folgen uns auf

     

    Smarte Produktberatung

    Rechnung, Versand & GPSR

    Versand & Rechnung durch: Dinotech e.K.

    Osoba odpowiedzialna za UE (GPSR) Podmiot gospodarczy z siedzibą w UE, który zapewnia zgodność produktu z wymaganymi przepisami.
    • HECO-Schrauben GmbH & Co. KG
    • Dr.-Kurt-Steim-Straße 28
    • 78713 Schramberg
    • Alemania
    • +4974229890
    • info@heco-schrauben.de

    Szczegóły produktu i zakres dostawy

    SKU: 26135
    EAN: 4064677024178

    Alcance de la entrega:

    - 200x anclajes de tornillo HECO MULTI MONTI plus MS 7,5 x 50 mm

    Descripción del Producto:

    El anclaje de tornillo MULTI MONTI plus de HECO es un desarrollo mejorado del tornillo para hormigón MULTI MONTI. La particularidad del tornillo es que el tornillo se puede introducir sin tacos en un agujero pretaladrado y es inmediatamente resistente. Gracias a los dientes reforzados en la punta del tornillo se enrosca una rosca interior en el material de construcción. El resultado es un ajuste positivo a través del cual se produce el anclaje. El alto nivel de seguridad en la aplicación que proporciona este proceso protege a los usuarios y a los destornilladores. El MULTI MONTI se puede mecanizar fácilmente cerca del borde sin llave dinamométrica. Además, el tornillo se puede quitar y posiblemente incluso reutilizar. Heco es un fabricante líder de tornillos, la empresa se caracteriza por su alta calidad y una larga tradición.

    Datos técnicos:

    Fabricante: HECO
    Número de fabricante: 49856
    Nombre del fabricante: MULTI MONTI plus MS
    Grosor de fijación, tfix1: 1 5 mm
    Tamaño de la unidad: T-30
    Diámetro de broca, d0: 6,0 mm
    Profundidad del taladro, h1: 4 0 mm
    Orificio pasante en el accesorio, df: 9mm
    Profundidad de atornillado, hnom1: 35 mm
    Longitud del hilo, longitud: 4 7 mm
    Diámetro de la cabeza, dk: 17,0 mm
    Potencia máxima recomendada de la llave de impacto, Tmax1: 120 Nm
    Espesor mínimo del componente, hmin: 100mm
    Distancia mínima al borde, cmin: 30mm
    Diámetro, d: 7,5 mm
    Longitud, largo: 5 0 mm
    Diseño de cabeza: Anclaje de carril de montaje con cabeza redonda plana
    Conducir: Unidad T
    Superficie: azul galvanizado, A2K
    Material: Acero carbono
    Evaluación técnica europea: ETA-15/0785
    Clase de resistencia al fuego: F120/R120
    Aprobación de rociadores:
    Aprobación de la autoridad general de construcción: Z-21.1-2103


    Si se utiliza con fines comerciales, ¡tenga en cuenta las normas de construcción!

    Ostatnio oglądane

    Najważniejsze pytania w skrócie

    Jak mogę zapłacić za zamówienie?

    Oferujemy wiele bezpiecznych metod płatności:

    Metody płatności online

    PayPal, KLARNA, Google Pay, Apple Pay i Shop Pay.

    Karty kredytowe

    Możesz również zapłacić za pomocą głównych kart kredytowych VISA, MasterCard i American Express. W tym przypadku płatność jest zabezpieczona przy użyciu metody 3D Secure. Jeśli będziemy mieć jakiekolwiek oznaki nieuczciwego zamówienia, automatycznie je anulujemy.

    Jak mogę otrzymać fakturę?

    Fakturę otrzymasz automatycznie w osobnej wiadomości e-mail od naszego partnera wysyłkowego po otrzymaniu płatności. Nie jest ona dostarczana bezpośrednio z potwierdzeniem odbioru. Faktura papierowa jest również dołączana do zamówienia.

    Dlatego prosimy o ponowne sprawdzenie folderu spamu i zarejestrowanie się w naszym portalu faktur.

    Zwroty: Chcę coś odesłać

    Jeśli chcesz zwrócić swoje zamówienie lub jego część i jesteś z UE 🇪🇺 , zapoznaj się z naszym portalem zwrotów.

    W przypadku zwrotów ze Szwajcarii 🇨🇭 i Liechtensteinu 🇱🇮 skorzystaj z tego portalu zwrotów

    Gdzie jest moje zamówienie?

    Istnieją różne sposoby śledzenia statusu przesyłki:

    Wysyłka trwa zazwyczaj 1-4 dni robocze. Jeśli trwa to dłużej lub uważasz, że paczka zaginęła, skontaktuj się z nami tutaj w naszym portalu problemów.

    Twoja rodzina narzędzi

    • <strong>Spersonalizowane porady</strong>

      Spersonalizowane porady

      W przeciwieństwie do wielu innych platform, u nas otrzymujesz spersonalizowane porady i usługę, która wspiera Cię przez cały czas.

    • <strong>Szybka wysyłka</strong>

      Szybka wysyłka

      Zapewniamy, że zazwyczaj otrzymasz swoje zamówienie w ciągu 2-4 dni roboczych. Aby to osiągnąć, współpracujemy z wybranymi sprzedawcami detalicznymi.

    • <strong>Najlepsze ceny</strong>

      Najlepsze ceny

      Dla każdego produktu z tym symbolem otrzymujesz obecnie najlepszą cenę online (w porównaniu z rynkiem niemieckim). Dokładne informacje znajdziesz na stronach produktów.

    To jest Toolbrothers

    Narzędzia są motorem napędowym naszego społeczeństwa. Niezależnie od tego, czy budujesz dom, kupiłeś szafę IKEA, czy w końcu chcesz naprawić kapiący kran. Potrzebujesz narzędzi. Dostarczamy Ci narzędzia - w stylu Toolbrothers.

    • Błyskawicznie
    • Niezawodny
    • Z najlepszą obsługą

    Logowanie

    Czy zapomniałeś hasła?

    Nie jesteś jeszcze członkiem klubu?
    Załóż konto